Двухкорпусные комбинированные счетчик воды КВСХД-05 DN 50/15…150/40 (водосчетчики) предназначены для измерений объёма холодной воды в напорных трубопроводах систем холодного водоснабжения (ХВС) при температуре воды от +5 до +50 °С и давлении до 1,6 МПа (16 кгс/см2) в диапазоне 0,025…600 м3/ч.
Комбинированные счетчики воды КВСХД-05 — водосчетчики в 2хкорпусном исполнении, с обводной линией (байпасом), в которой установлен многоструйный крыльчатый счётчик (у DN 50/20 одноструйный крыльчатый счётчик), в основной линии установлен турбинный счётчик:
— счетчик воды КВСХ-05-50/15; КВСХд-05-50/15 (комбинированный водосчетчик DN 50/15);
— счетчик воды КВСХ-05-50/20; КВСХд-05-50/20 (комбинированный водосчетчик DN 50/20);
— счетчик воды КВСХ-05-65/20; КВСХд-05-65/20 (комбинированный водосчетчик DN 65/20);
— счетчик воды КВСХ-05-80/20; КВСХд−05−80/20 (комбинированный водосчетчик DN 80/20);
— счетчик воды КВСХ-05-100/20; КВСХд-05-100/20 (комбинированный водосчетчик DN 100/20);
— счетчик воды КВСХ-05-150/40; КВСХд-05-150/40 (комбинированный водосчетчик DN 150/40).
Обозначение счётчика комбинированного КВСХ(д) в паспорте и иной документации:
Счётчик холодной воды комбинированный КВСХ«Х1»-«Х2»-«Х3/Х4», где:
— «Х1» – комплектация счётчика комбинированного магнитоуправляемым контактом, при помощи которого формируются выходные импульсные сигналы, количество которых пропорционально объёму воды, прошедшему через счётчик: «д» – наличие импульсного выхода; «пустое знакоместо» – для неукомплектованных импульсным выходом;
— «Х2» – модификация: «01», «02», «03», «04», «05»;
— «Х3» – диаметр условного прохода турбинного счётчика: «50», «65», «80», «100», «150» для Ду50, Ду65, Ду80, Ду100, Ду150 соответственно;
— «Х4» – диаметр условного прохода крыльчатого счётчика: «15», «20», «40» для Ду15, Ду20, Ду40 соответственно.
Особенности и преимущества комбинированных счетчиков холодной воды КВСХд-05 DN 50/15…150/40:
— измерение широкого диапазона расхода (0,025…600 м3/ч), непостоянного уровня расхода воды;
— счетчики КВСХ(д)-05 могут быть изготовлены с защитой счетного механизма IP68, что позволяет устанавливать прибор в помещениях с повышенной влажностью, а также в затапливаемых колодцах;
— все детали водосчетчиков выполнены из высококачественных материалов и надежно защищены от коррозии;
— надежная защита от внешнего магнитного воздействия;
— низкие потери давления;
— защита от внешнего механического проникновения;
— межповерочный интервал (МПИ) 6 лет.
Стоимость счетчика воды КВСХ-05, КВСХд-05 зависит от диаметра условного прохода Ду (15…150мм), общего объема заказа и других ценообразующих факторов (см. также форму заказа счетчиков воды КВСХ(д)-05).
Цена счетчика воды КВСХ-05, КВСХд-05 от 69990 руб.*
* — Цена на КВСХ-05 указана без учета НДС=20%, на базовое исполнение водосчетчика, без учета акций, скидок и спецпредложений, конкретные условия и цены, как заказать (купить), а также наличие на складе счетчиков воды КВСХ-05, КВСХд-05 (или срок изготовления) уточняйте у менеджеров отдела продаж по электронной почте и телефону, указанным в разделе сайта Контакты.
При заказе водосчетчиков КВСХД-05 должны быть указаны:
— условное обозначение счётчика и его модификация (КВСХД-05);
— значение номинального диаметра (DN) основного/вспомогательного водосчетчиков, мм ( 50/15; 50/20; 65/20; 80/20; 100/20; 150/40);
— обозначение технических условий (ТУ).
Счётчики КВСХ, КВСХд выпускаются в следующих модификациях:
— КВСХ-01, КВСХд-01 – счётчики в двухкорпусном исполнении, с обводной линией (байпасом), с многоструйным крыльчатым счётчиком, КВСХд-01 -с дистанционным выходом импульсов (герконом), диапазон измерения расхода 0,03…250 м3/ч;
— КВСХ-02, КВСХд-02 – счётчики в двухкорпусном исполнении, с обводной линией (байпасом), с многоструйным крыльчатым счётчиком, КВСХд-02 -с дистанционным выходом импульсов (герконом), метрологический класс В, диапазон измерения расхода 0,025…250 м3/ч;
— КВСХ-03, КВСХд-03 – счётчики в двухкорпусном исполнении, с обводной линией (байпасом), с одноструйным крыльчатым счётчиком, КВСХд-03 -с дистанционным выходом импульсов (герконом), диапазон измерения расхода 0,04…250 м3/ч;
— КВСХ-04, КВСХд-04 – счётчики в едином корпусе (моноблоке), с многоструйным крыльчатым счётчиком, КВСХд-04 -с дистанционным выходом импульсов (герконом), диапазон измерения расхода 0,03…250 м3/ч.
— КВСХ-05, КВСХд-05 — водосчетчики в 2хкорпусном исполнении, с обводной линией (байпасом), в которой установлен многоструйный крыльчатый счётчик (у DN 50/20 одноструйный крыльчатый счётчик), в основной линии установлен турбинный счётчик, диапазон измерения расхода 0,025…600 м3/ч. Счетчики КВСХд-05 — с дистанционным выходом импульсов (герконовым импульсным датчиком).
Также по отдельному заказу может быть поставлено дополнительное оборудование и КМЧ для тахометрических водосчетчиков — краны шаровые, фильтры сетчатые, редуктор давления и т.д. (см. ниже по тексту подробную информацию о дополнительном оборудовании для счетчиков воды).
1. Технические характеристики комбинированных счетчиков воды КВСХД-05 DN 50/15…150/40
Комбинированные счётчики воды КВСХД-05, КВСХ-05 DN 50/15…150/40 состоят из двух счётчиков, имеющих разные пределы измерений, и переключающего пружинного клапана. Счётчики размещены на параллельной отводке. Один водосчетчик является основным, а другой – вспомогательным.
Переключающий клапан в зависимости от расхода автоматически закрывает или открывает проход воды к одному из приборов. При малых величинах расхода переключающий клапан закрывается и задействованным остаётся только вспомогательный счётчик. При возрастании расхода давление воздействует на основной счётчик, и при этом происходит открывание переключающего клапана. С этого момента основной счётчик начинает работать совместно со вспомогательным счётчиком. При работе обоих счётчиков общее потребление и объём воды считываются путём сложения показаний основного и вспомогательного счётчиков.
Корпус основного счётчика выполнен из чугуна и представляет собой цилиндрическую отливку с фланцами по ГОСТ 33259-2015 для присоединения к трубопроводу и горловиной для размещения измерительного блока (измерительной вставки).
В устройство комбинированных счётчиков входят турбинный (основной) и крыльчатый (вспомогательный) счётчики, размещённые на параллельной отводке.
Когда напор воды в системе водоснабжения невысок, вода движется через крыльчатый счётчик; когда же напор возрастает, вода поступает через турбинный и крыльчатый счётчики.
Расчёт полного объёма воды, прошедшего через комбинированный счётчик, определяется суммированием показаний объёма воды турбинного и крыльчатого счётчиков.
Крыльчатый счётчик защищён от перегрузки, которая может возникнуть, грибовидным клапаном, который ограничивает расход в системе.
Комбинированные счетчики воды КВСХД-05, КВСХ-05 DN 50/15…150/40 — водосчетчики в 2хкорпусном исполнении, с обводной линией (байпасом), в которой установлен многоструйный крыльчатый счётчик Ду 15, Ду 20 или Ду 40 (у DN 50/20 одноструйный крыльчатый счётчик), в основной линии установлен турбинный счётчик (Ду 50, Ду 65, Ду 80, Ду 100, Ду 150).
Счётчики воды комбинированные КВСХД-05, КВСХ-05 DN 50/15…150/40 применяются на промышленных объектах, объектах коммунального хозяйства и в составе автоматизированных систем контроля и учёта холодной воды. Они разработаны специально для объектов с широким диапазоном расхода воды, непостоянным уровнем расхода, варьирующим в течение суток, сезонов или условий технологического процесса, объектов кратковременного учёта большого расхода, где при нормальной ситуации протекает небольшое количество воды.
По степени защиты счётчики КВСХД-05, КВСХ-05 DN 50/15…150/40 соответствуют IP 54; по заказу могут быть изготовлены со степенью защиты IP 68, которые пригодны для длительного погружения в воду на глубину более 1 м и установки в водопроводных колодцах, имеют полную водонепроницаемость и пылезащищённость.
Счётчики КВСХД-05, КВСХ-05 DN 50/15…150/40 работают в диапазоне температур от +5 до +50 °С (холодная вода), имеют счётный механизм с роликовым и стрелочными индикаторами и показывают измеренный объём в метрах кубических (м3) и его долях.
Счётчики КВСХд-05 имеют дистанционный выход импульсов (при подаче напряжения на магнитоуправляемый контакт).
1.1. Основные параметры комбинированных счетчиков воды КВСХд-05, КВСХ-05
| Наименование параметра |
Значение параметра |
| Диаметр условного прохода, DN |
50/15 |
50/20 |
65/20 |
80/20 |
100/20 |
150/40 |
| Диапазон температур счётчиков КВСХ-05, КВСХд-05, ºС |
+5…….+50 |
|
| Наименьший расход, Qmin, м3/ч |
0,025 |
0,25 |
0,04 |
0,04 |
0,04 |
0,16 |
| Переходный расход, Qt, м3/ч |
0,04 |
0,2 |
0,064 |
0,064 |
0,064 |
0,256 |
| Номинальный расход, Qn, м3/ч тип 05 |
50 |
50 |
63/60 |
120 |
230 |
400 |
| Наибольший расход, Qmax, м3/ч тип 05 |
90 |
90 |
120 |
200 |
300 |
600 |
| Порог чувствительности, м3/ч |
0,015 |
0,015 |
0,02 |
0,02 |
0,02 |
0,055 |
| Максимальное значение указателя счётного механизма, м3: |
|
|
| — основного счётчика |
999999 |
|
999999×10 |
| — вспомогательного счётчика |
99999 |
|
999999 |
| Цена импульса, л/имп., для водосчетчика КВСХд-05 |
100/10 |
100/1 |
100/10 |
100/10 |
100/10 |
1000/100 |
| Расход воды, м3/ч, при потере давления 0,1 кгс/см2 (0,01 МПа) |
3 |
4 |
4 |
7 |
10 |
120 |
| Диапазон срабатывания переключающего устройства (клапана), м3/ч: |
|
|
| — при увеличении расхода |
1,4 |
1,6 |
1,8 |
1,8 |
2,1 |
6 |
| — при уменьшении расхода |
0,7 |
0,7 |
0,8 |
0,8 |
1,2 |
4,2 |
| Присоединение к трубопроводу |
фланцевое |
|
| Класс защиты по ГОСТ 14254 |
IP54 (по заказу – IP68) |
|
| Межповерочный интервал (МПИ), лет |
6 |
|
| Срок службы счётчиков КВСХ(д)-05, лет, не менее |
12 |
|
Примечания:
1. Под наименьшим расходом Qmin понимается расход, на котором счётчик имеет относительную погрешность ± 5 % и ниже которого относительная погрешность не нормируется.
2. Под переходным расходом Qt понимается расход, на котором счётчик имеет относительную погрешность ± 2 %, а ниже которого ± 5 %.
3. Под номинальным расходом Qn понимается расход, при котором счётчик может работать непрерывно в течение длительного времени.
4. Под наибольшим расходом Qmax понимается расход, при котором счётчик может работать не более 1-го часа в сутки.
5. Под порогом чувствительности понимается расход, при котором крыльчатка (турбинка) приходит в непрерывное вращение.
1.1.1. Гидравлические характеристики водосчетчиков КВСХд-05

1.1.2. Параметры магнитоуправляемого контакта (геркона) счетчиков КВСХ(д)-05:
— максимальное коммутирующее напряжение 50 В;
— максимальный коммутирующий ток через контакт 100 мА;
— частота замыкания контакта не более 1 Гц.
1.1.3. Условия эксплуатации водосчетчиков КВСХД-05
Рабочие условия эксплуатации:
— диапазон температуры измеряемой среды (Тис) от +5 до +50°С,
— давление измеряемой среды не более 1,6МПа,
— диапазон температуры окружающего воздуха (Тос) от +5 до +50°С,
— диапазон атмосферного давление от 84 до 106,7кПа,
— относительная влажность воздуха при +35 ºС не более 80%.
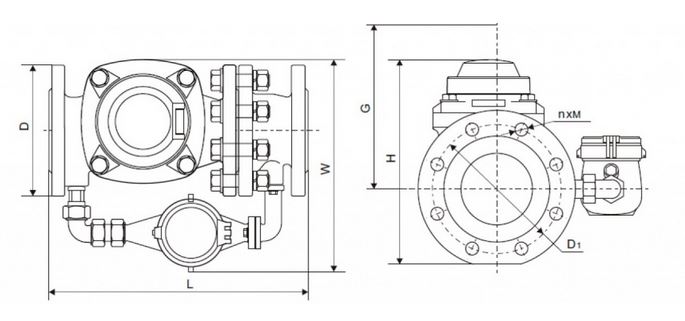
1.2. Габаритные и монтажно-присоединительные размеры водосчетчиков КВСХ05, КВСХД-05-50/15/-50/20/-65/20/-80/20/-100/20/-150/40
| Наименование параметра |
Значение параметра |
| Условный диаметр, мм |
DN50/15 |
DN50/20 |
DN65/20 |
DN80/20 |
DN100/20 |
DN150/40 |
| Габаритные размеры, мм |
|
|
|
|
|
|
| — длина |
280 |
280 |
370 |
370 |
370 |
500 |
| — высота |
268 |
268 |
305 |
310 |
320 |
445 |
| — ширина |
252 |
252 |
262 |
272 |
282 |
341 |
| Масса, кг, не более |
19 |
19 |
26 |
28 |
33 |
71 |

2. Возможные ошибки при оформлении заказа на сдвоенные водосчетчики КВСХ05, КВСХд05 (расходомеры холодной воды KBCX Ду-50/15, -50/20, -65/20, -80/20, -100/20, -150/40)
При заказе комбинированных сдвоенных водосчетчиков КВСХ05, КВСХд05 (расходомеров холодной воды KBCX Ду-50/15, -50/20, -65/20, -80/20, -100/20, -150/40) рекомендуем быть внимательными при оформлении заказа, в т.ч. учитывать возможные варианты записи обозначения и встречающиеся ошибки при заказе. Например, нам доводилось сталкиваться с такими ошибками в заявках:
— неправильное или некорректное название прибора: двойной сдвоенный водосчетчик ХВС, тахометрический домовой водомер, турбинный измеритель расхода, водометр, датчик потока, преобразователь расхода, флоуметр, флуометр, тепло-водомер, тепловодомер, регистратор, регулятор, сигнализатор, детектор, сенсор, прибор водоучета учета потребления воды водопотребления и и прочие ошибки в названии прибора..
— неправильные обозначения модели: КВХС-05, КСХВ-05, КСВХ-О5, КВСХд-5, КВСХ-5, КВСХД5, КВСХ5, СВХК, СХВК, СВК, СХК, КВ-СХ, К-СВХ, К-ВСХ, КВХСд-05, КСХВд-05, КСВХд-05, СВХКд, СХВКд, СВКд, СХКд, КВ-СХд, К-СВХ, К-ВСХ, ВСХК, ВСК, ВСХКд, ВСХК-д, ВСХК, ВСК; KBCX-05, BCXK (латиницей вместо кириллицы) и т.п.
— ошибки написания связанные с переводом, транслитерацией или раскладкой клавиатуры, например: combined cold water meters KVSHd-05, cold water flow meters KVSHd-05, kombinirovannyj schetchik vody kvskhd-05 dn 50-15-150-40, RDC{-05, RDC{l-05 (в En-раскладке) и т.д. и т.п.
Поэтому убедительная просьба, будьте внимательны при оформлении заказа на расходомеры — водомеры КСХВ(д)-О2 (комбинированные К счетчики С холодной Х воды В тип 2), не путайте обозначения, а если не знаете или не уверены, то просто напишите основные технические характеристики (Ду, температуру измеряемой среды и т.п.) и условия эксплуатации в простой форме изложения, а инженеры нашего предприятия подберут необходимый Вам прибор и доп. оборудование по наилучшему соотношению Цена — Качество — Срок изготовления (наличие на складе).
Техническая документация на комбинированный счетчик воды КВСХд-05 DN 50/15…150/40:
см. Карта заказа КВСХд-05 DN50/15…150/40 счетчик воды комбинированный (скачать опросный лист).
см. Технические характеристики КВСХд-05 DN50/15…150/40 счетчик воды комбинированный (Тех.описание).
см. Руководство по эксплуатации КВСХд-05 DN50/15…150/40 счетчик воды комбинированный.
см. Методика поверки КВСХд-05 DN50/15…150/40 водосчетчик комбинированный.
По заявке потребителя могут быть высланы карта(форма) заказа (опросный лист), сертификат/свидетельство об утверждении типа средства измерения, разрешения на применение, декларация о соответствии, паспорт СВ, техническое описание и руководство по эксплуатации, руководство пользователя на доп. оборудование и периферийные устройства, описание типа средства измерения и методика поверки, а также прочие разрешительные и нормативные документы (ГОСТы, СанПиН, СНиПы и правила учета и т.п.).
3. Дополнительная информация о тахометрических крыльчатых и турбинных счетчиках воды
3.1. КМЧ и дополнительное оборудование к тахометрическим водосчетчикам
Комплектация и виды комплектов монтажных частей (КМЧ) и дополнительного оборудования подбирается в зависимости от типа счетчика воды:
— квартирные счетчики (бытовые/индивидуальные крыльчатые Ду15, Ду20);
— домовые счетчики (общедомовые турбинные Ду25,32,40,40);
— промышленные (турбинные Ду свыше 50мм);
— комбинированные (с двумя счетчиками: для большого и малого расходов);
см. номенклатуру, цены и технические описания счётчиков-расходомеров жидкости (водосчетчиков).
см. дополнительное оборудование и монтажно-запорная арматура для расходомеров.
Базовая комплектация квартирного крыльчатого водосчетчика (Ду15-20мм) относительно проста:
— комплект штуцеров (присоединители — «Американки»): штуцер(удлинитель), гайка, прокладка (G1/2(Ду15) или G3/4(Ду20) по 2 шт., материал латунь или сталь с гальваническим покрытием);
— кран шаровый (Ду15 или Ду20, до 1,6МПа, материал обычно латунь или сталь);
— фильтр сетчатый грубой очистки воды (прямой или косой, латунный или стальной);
— редуктор давления (с манометром или без);
— дополнительные выходы (помимо импульсного): многоимпульсные выхода (2,4), частотный, токовый-4-20мА, цифровой-RS232/RS485, радиовыход.
см. комплект МСС (монтажная сборка счетчика) для водосчетчиков Ду15, Ду20.
Общедомовые и промышленные турбинные счетчики воды могут иметь достаточно сложную и разнообразную комплектацию:
помимо базовой комплектации, аналогичной квартирным индивидуальным приборам учета (присоединители, краны, фильтры, редуктора) возможна комплектация турбинных приборов следующим дополнительным оборудованием:
Присоединительная арматура:
— Комплекты монтажных частей — КМЧ Ду15-400мм для резьбового, фланцевого или присоединения типа «Сэндвич».
(ответные фланцы, прокладки, болты/шпильки, гайки, шайбы) для установки счетчика (расходомера) или проставки (габаритного имитатора):
— Комплекты ответных фланцев (КОФ по ГОСТ 12820-80 и др.)
— Переходы Ду, прямые участки (присоединительные участки) и прочие элемены трубопровода
— Проставки (габаритные имитаторы, монтажные вставки)
— Уплотнения и крепеж (прокладки, болты(шпильки), гайки, шайбы)
Также возможна поставка целых монтажных водомерных узлов учета расхода: фланцевых и межфланцевых-«сэндвич»(прямые участки + габаритная вставка + КМЧ).
Дополнительное оборудование узлов учета расхода (УУР):
— Монтажно-запорная арматура: краны, клапаны, присоединительные фитинги, тройники, спускники
— Шкафы монтажные
— КИПиА: манометры, термометры, датчики, реле, преобразователи температуры и давления, регуляторы, блоки(источники) питания, блоки управления.
— Оборудование и системы для диспетчеризации
Переферийные устройства сбора и передачи данных: модули (M-Bas, МИД, импульсный), радиомодули, концентраторы, ОТР, GSM/GPRS модемы, антенны, адаптеры, конвертер, преобразователи интерфейсов, ПО (диспетчерские программы считывания данных), регистраторы, архиваторы и прочее оборудование.
Кабель (электропитания и связи(сигнальный).
3.2. Общие рекомендации по размещению, монтажу и работе тахометрических счетчиков воды (водосчетчиков)
Тахометрические (крыльчатые (Ду15-20) и турбинные (Ду25 и более)) водосчётчики (далее — ВС) обычно предназначены для установки в отапливаемых помещениях или специальных павильонах с температурой окружающей среды Тос (воздуха) обычно от +5 до +50С и относительной влажностью не более 80%. К приборам должен быть обеспечен свободный доступ для осмотра в любое время года. Место установки должно гарантировать эксплуатацию прибора без возможных механических повреждений. Установка водосчётчиков в затапливаемых, в холодных помещениях при температуре менее 5С, и в помещениях с влажностью более 80% не рекомендуется (за исключением специального затапливаемого исполнения с кодом пыле-водозащиты IP68).
3.3. При монтаже тахометрического водосчётчика должны быть соблюдены следующие обязательные условия:
а) Тахометрический водосчётчик (далее ВС или СВ) монтируется только на горизонтальном участке трубопровода в «разгруженном» положении — циферблатом вверх, при этом крыльчатые счётчики Ду15 и Ду20 мм работают в заявленном в паспорте диапазоне расходов (обычно класса В), а при монтаже на вертикальном участке или циферблатом параллельно стене, ВС начинает работает в диапазоне расходов соответствующих предыдущему менее точному классу (если был класс В, то станет А; а если С, то В, см. технические характеристики, заявленные в паспорте прибора).
б) Установка осуществляется таким образом, чтобы прибор всегда был заполнен водой (монтаж в напорный трубопровод);
в) При установке тахометрического водосчётчика после отводов, запорной арматуры, переходников, фильтров и других устройств, создающих искажение потока, непосредственно перед ВС необходимо предусмотреть прямой участок трубопроводов для спрямления потока длиной не менее 5Ду, а за прибором — не менее 1Ду (где Ду — условный диаметр трубопровода). Прямой участок трубопровода перед малорасходными ВС (Ду=15-40мм) не требуется, если ВС монтируется с комплектом поставляемых заводом — изготовителем присоединителей (штуцеров-удлинителей) специальной конструкции, стабилизирующих поток воды до ламинарного течения. Необходимо учесть, что при нарушении условий монтажа появляется дополнительная погрешность.
г) На случай ремонта или замены счетчика воды (далее СВ) перед прямым участком до прибора и после прямого участка трубопровода после прибора устанавливается запорная арматура (краны, вентили, задвижки, клапаны), а также спускники для опорожнения отключаемого участка, которые монтируются вне зоны прямых участков.
д) Перед малорасходными СВ (Ду=15-40мм), но после запорной арматуры вне зоны прямолинейного участка трубопровода; а также после счетчика при установке его на обратном трубопроводе ГВС или ТС(теплоснабжения), до запорной арматуры рекомендуется устанавливать фильтры воды (прямые или косые сетчатые фильтры грубой очистки).
е) Не допускается установка СВ на расстоянии менее 2-х метров от устройств, создающих вокруг себя мощное электро-магнитное поле (например, силовых трансформаторов), а также размещение прибора в зоне действия постоянных магнитов, использование потребителем «стоп-магнита» вообще противозаконно..
Copyright © ТЕПЛОПРИБОР.рф 2015-2025, все права защищены,
текст зашифрован, копирование отслеживается и преследуется;
авт. ПОМ; соавтор ТВМ ск10.
ГК Теплоприбор — производство и продажа КИПиА: Расходометрия / Расходомеры жидкости / Комбинированные водосчетчики (расходомеры холодной воды) КВСХ(д)-05, КВСХ(д)-02, КВСХд-01, КВСХд-03, КВСХд-04, ВСХНК, ВСХНКд, СТВК-1, СТВК-2, КВМ-50 и др.
См. техописание/характеристики ВС, прайс-лист (оптовая цена), рекомендации по выбору, аналоги и замены, форму заказа (как правильно выбрать, заказать и купить) счетчик воды КВСХд-05-50/15/-50/20/-65/20/-80/20/-100/20/-150/40 по цене производителя в наличии со склада в Москве (или уточнить срок изготовления).
Также см. способы доставки и отгрузка ТК (Деловые Линии и другими) по всей территории РФ. Прочую информацию по заказу — см. официальный сайт ГК Теплоприбор раздел Приборы и системы контроля расхода.
Мы будем рады, если вышеизложенная информация оказалась полезна Вам, а также заранее благодарим за обращение в любое из представительств группы компаний «Теплоприбор» (три Теплоприбора, Теплоконтроль, Промприбор и другие предприятия) и обещаем приложить все усилия для оправдания Вашего доверия.
Вернуться в начало страницы.