В данном подразделе представлен поворотный дисковый затвор D671-16EC (корпус — чугун ковкий, диск — нержавеющая сталь, уплотнение — EPDM, фланцевый/межфланцевый, Ду 32…600).
См. также Дисковые поворотные межфланцевые затворы из нержавеющей стали D671-16FC (DN 32…300).
Поворотный дисковый затвор D671-16EC предназначен для полного перекрытия и регулирования расхода рабочей среды в системах водоснабжения и водоотведения, отопления, кондиционирования, вентиляции, пожаротушения и иных областях промышленности и жилищно-коммунального хозяйства (ЖКХ).
Дископоворотный чугунный затвор D671-16EC предназначен для применения в системах трубопроводов для перекрытия и регулирования потоков сред: вода питьевая, техническая, морская, воздух, пар, газ, гликольные смеси, сыпучие вещества, и иные среды, соответствующие по физико-механическим и химическим свойствам конструктивным материалам затвора.
Стоимость дискового поворотного затвора «бабочка» D671-16EC зависит от диаметра условного прохода трубопровода (Ду от 32 до 600 мм), исполнения (фланцевое, межфланцевое), общего объема заказа и других ценообразующих факторов.
Оптовая цена затвора D671-16EC высылается по запросу.
Конкретные условия поставки и цены, как заказать/купить дисковый затвор «бабочка» D671-16EC, наличие на складе в Москве или срок изготовления/производства уточняйте у менеджеров.
1. Технические характеристики поворотного дискового затвора D671-16EC
1.1. Основные параметры дискового затвора D671-16EC
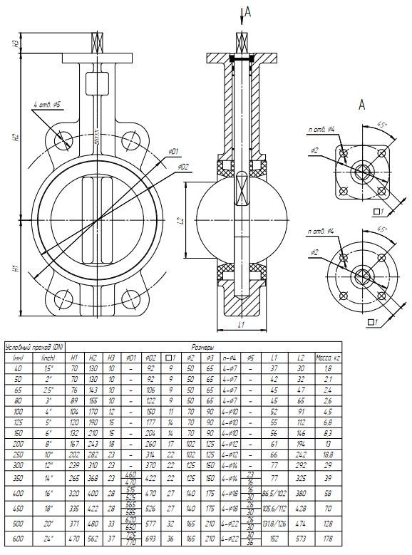
Условные диаметры трубопровода — Ду от 32 мм до 600 мм.
Герметичность перекрытия потока в прямом и обратном (реверсном) направлении — класс «А» по ГОСТ 54808-2011.
Номинальное давление — от 1,0 МПа до 2,5 МПа.
Управление – ручное (редуктор), электропривод, пневмопривод.
Тип присоединения: Межфланцевое (стяжное), Фланцевое.
Материал исполнения корпуса: Чугун GG40.
Материал исполнения диска: нержавеющая сталь.
Материал исполнения уплотнения (седла): EPDM, EPDM+PTFE.
1.2. Габаритные и монтажно-присоединительные размеры дискового затвора D671-16EC
1.2.1. Габаритные размеры дискового поворотного затвора D671-16EC DN 40…600

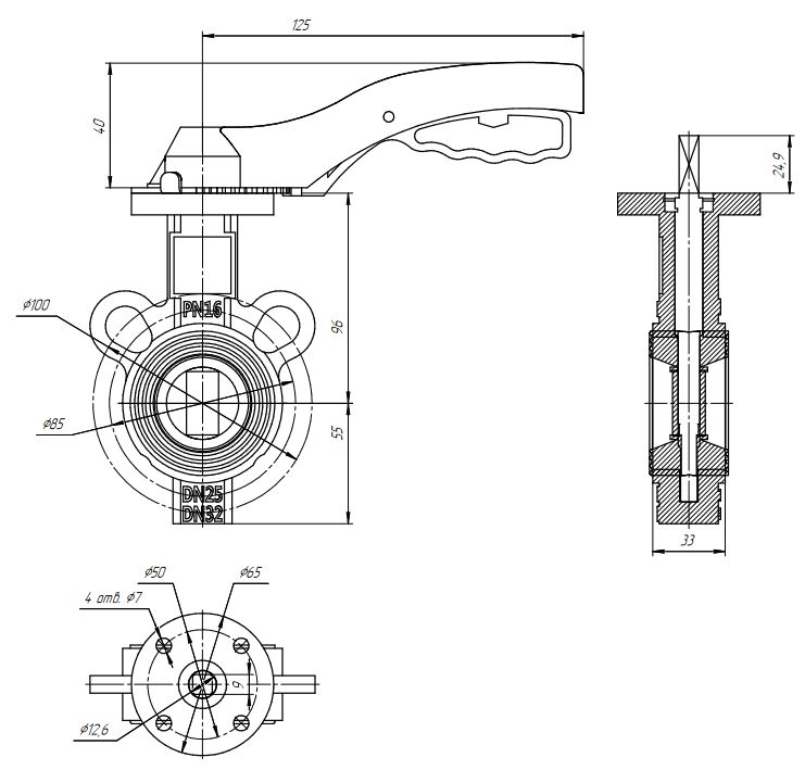
1.2.2. Габаритные размеры дископоворотного затвора D671-16EC DN 25…32

2. Возможные ошибки при оформлении заказа на поворотно-регулирующий затвор (ПРЗ) D-671-16-EC (клапан герметичный, гермоклапан)
Рекомендуем быть внимательными при оформлении заказа на поворотно-регулирующий затвор (ПРЗ) D-671-16-EC (клапан герметичный, гермоклапан, диско-поворотный клапан), в т.ч. учитывать возможные варианты записи обозначения и встречающиеся ошибки при заказе. Например, нам доводилось сталкиваться с такими ошибками в заявках:
— неправильное или некорректное название прибора: затвор дисковый поворотный баттерфляй, клапан бабочка, кран бабочка, затвор бабочка, заслонка, герметичный клапан, гермоклапан, гермо-затвор, гермозатвор, гермо-клапан, исполнительный клапан, запорный клапан кран, исполнительное устройство, вспомогательный клапан, регулятор давления расхода уровня температуры, датчик, преобразователь, регулирующее устройство, сигнализатор, регистратор, детектор, индикатор, сенсор, контроллер и т.п.
— неправильные обозначения модели: D-671-16-EC, D67116EC, D67116-EC. D-671-EC16, D6-71-16ES, DN671-16E, Д671-16ЕС, Д-671-16ЕК и др.;
— ошибки написания связанные с переводом, транслитерацией или раскладкой клавиатуры, например rotary regulating gate, butterfly valve D671-16EC, rotary disc shutter D-671-16EC, povorotnyj diskovyj zatvor d671-16ec, В671-16УС (в Ru-раскладке) и т.д. и т.п.
Поэтому убедительная просьба, будьте внимательны при оформлении заказа на диско-поворотный гермозатвор D-671-16EC (гермоклапан), не путайте обозначения, а если не знаете или не уверены, то напишите основные технические характеристики, параметры измеряемой (контролируемой) -Тис и окружающей среды — Тос, отличные от нормальных условий, способы присоединения и монтажа в простой форме изложения, а наши инженеры подберут необходимый Вам прибор и доп. оборудование по наилучшему соотношению Цена-Качество-Срок Изготовления (Наличие на складе).
3. Дополнительная справочная информация о дисковых затворах
Затвор дисковый (ЗД) – вид трубопроводной арматуры, в котором запирающий или регулирующий элемент имеет форму диска, поворачивающегося вокруг оси, перпендикулярной или расположенной под углом к направлению потока рабочей среды. Может перекрывать поток, поворачиваясь вокруг своей оси перпендикулярно потоку или регулятора, находясь под углом. Чаще всего дисковый затвор применяется в трубопроводах больших диаметров с пониженными требованиями к герметичности. Подвижная часть может иметь форму, как плоского диска, так и выпуклой с обеих сторон. Корпуса и диски затворов делаются, чаще всего, из стали или чугуна. Для защиты от коррозии или износа диск делают из нержавеющей стали, присоединяя уплотнительное резиновое кольцо для защиты от агрессивной среды.
По своему функциональному значению дисковые затворы длятся на запорные, регулирующие и запорно-регулирующие. Устройства присоединяются к трубе шпильками, проходящими от одного фланца к другому. Управление проходит, как вручную, так и механически, с помощью электрического или гидравлического привода. Они используются в различных отраслях промышленности, поскольку позволяют транспортировать по трубам большой спектр жидких и газообразных веществ.
Ключевыми достоинствами дисковых затворов являются компактность и простота эксплуатации. У них нет застойных зон, в которых может собираться грязь и небольшое количество деталей. Благодаря этому, обслуживание не требует больших затрат и высокой квалификации.
В связи с некоторой схожестью формы поворотного дискового затвора с бабочкой, в англоязычных странах дисковые затворы носят название butterfly valve.
Copyright © ТЕПЛОПРИБОР.рф 2015-2025, все права защищены,
текст зашифрован, копирование отслеживается и преследуется;
авт.- ПОМ; соавторы ПнГС.
ГК Теплоприбор — производство и продажа КИПиА: Регуляторы давления (РД) и перепада — расхода (РР) прямого действия (РДПД) для закрытых и открытых водяных и паровых систем теплоснабжения (СО/ЦТС), водоснабжения (ГВС, ХВС) и регулирования прочих технологических процессов, клапаны регулирующие, дископоворотные затворы D671-16EC и другие гермозатворы.
См. техописание/характеристики РДПД, прайс-лист (оптовая цена), форму заказа (как выбрать, заказать и купить) затвор D671-16EC по цене производителя в наличии и под заказ со склада в Москве, доставка/отгрузка ТК (Деловые Линии и другими) по всей территории РФ (прочую информацию по заказу — см. официальный сайт ГК Теплоприбор).
Мы будем рады, если вышеизложенная информация оказалась полезна Вам, а также заранее благодарим за обращение в любое из представительств группы компаний «Теплоприбор» (три Теплоприбора, Теплоконтроль, Промприбор и другие предприятия) и обещаем приложить все усилия для оправдания Вашего доверия.
Вернуться в начало страницы.