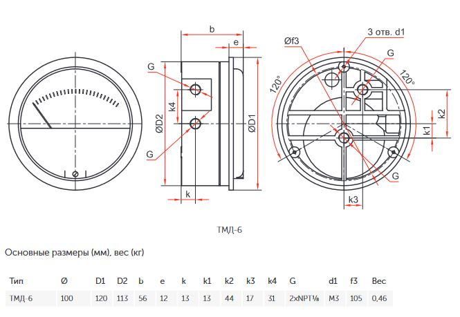
1.2. Габаритные и монтажно-присоединительные размеры дифманометра ТМД-6-530

2. Возможные ошибки при оформлении заказа на дифманометр ТМД6-530
Ввиду относительного многообразия моделей и модификаций дифманометра ТМД6-530, сложности обозначения и формы заказа, рекомендуем быть внимательными при оформлении заказа, в т.ч. учитывать возможные варианты записи обозначения и встречающиеся ошибки при заказе. Например, нам доводилось сталкиваться с такими ошибками в заявках:
— неправильное или некорректное название прибора: дифманометр-уровнемер, диф. манометр-перепадомер, -расходомер, тягонапоромер, тягомер, напоромер, датчик-преобразователь дифференциального давления, датчик разности давлений, преобразователь перепада давления и т.п.
— неправильные обозначения модели: ТМД6-530, ТМД-06-5-30, ТМД06, ТМД530, ТМД-б-5ЗО, ТМД-Об-53О, ТМДб-5З0, ТМД-6-350, ТМ-6, ТМ6, ТДМ-6, ТДМ-06, ТДМ6, ТДМ06, ТД-6, ТД6, МТД, МДТ, ДТМ, ДМТ, ДМ, МТ-6, МТ4, МТ06, МТ-06, ДМД, МДД, ДДМ, Т-МД, ТМ-Д, ТД-М и т.п.
— ошибки написания, связанные с переводом, транслитерацией или раскладкой клавиатуры, например: differential pressure gauge TMD-6-530, manometr TMD-6-530, NVL-6-530 (в En-раскладке) и т.д. и т.п.
Поэтому убедительная просьба, будьте внимательны при оформлении заказа на диф.манометр ТМД6-530 росма, не путайте обозначения, а если не знаете или не уверены, то просто напишите основные технические характеристики (диапазон измерения, предельное рабочее давление, класс точности, климатику — параметры измеряемой (контролируемой) -Тис и окружающей среды — Тос, отличные от нормальных условий, способы присоединения и монтажа (наличие КМЧ) в простой форме изложения, и инженеры предприятия Теплоконтроль подберут необходимый Вам прибор и все дополнительное оборудование с наилучшим соотношением «Цена – Качество – Срок поставки (наличие на складе)».
Техническая документация на дифференциальный манометр ТМД-6-530:
см. Карта заказа ТМД-6-530 манометр дифференциальный мембранный (скачать опросный лист).
см. Технические характеристики ТМД-6-530 манометр дифференциальный мембранный (Тех.описание).
см. Руководство по эксплуатации ТМД-6-530 манометр дифференциальный мембранный.
см. Методика поверки ТМД-6-530 дифманометр на низкие давления воздуха и газов.
По заявке потребителя могут быть высланы карта(форма) заказа (опросный лист) дифференциальных манометров, сертификат/свидетельство об утверждении типа средства измерения, разрешения на применение, декларация о соответствии, паспорт ТМД, техническое описание и руководство по эксплуатации, руководство пользователя на доп. оборудование и периферийные устройства, описание типа средства измерения и методика поверки, а также прочие разрешительные и нормативные документы (ГОСТы, СанПиН, СНиПы и правила учета и т.п.).
Copyright © ТЕПЛОПРИБОР.рф 2015-2025, все права и текст защищены,
текст зашифрован, копирование отслеживается и преследуется;
авт.- ПОМ, соавтор РСМ ск10
ГК Теплоприбор -Теплоконтроль — производство и продажа КИПиА: Приборы измерения и контроля давления / Дифференциальные манометры/дифманометры-перепадомеры: пружинные мембранные сильфонные показывающие стрелочные ТМД-6-530, ТМД-4-421, ТМД-3-621Р, ТМД-2-521Р, ТМД-2-621Р, ТМД-1-521-Р, ТМД-1-621-Р, ТМД-5-521-Р, ТМД-5-621-Р, ДСП-160-М1, ДСП-УС, ДСП-80, ДСП-80В, ДСП-80К, ДСП-4Сг, ДНМ-80, ДТМ-120 и другие.
См. тех. описание/характеристики, прайс-лист (оптовая цена), рекомендации по выбору, аналоги и замены, форму заказа (как правильно выбрать, заказать и купить) дифференциальный манометр ТМД-6-530 росма по цене производителя; проверить наличие на складе в Москве (или уточнить срок изготовления/производства).
Также см. способы доставки и отгрузка ТК (Деловые Линии и другими) по всей территории РФ. Прочую информацию по заказу — см. официальный сайт ГК Теплоприбор раздел Приборы и системы измерения и контроля давления.
Мы будем рады, если вышеизложенная информация оказалась полезна Вам, а также заранее благодарим за обращение в любое из представительств группы компаний «Теплоприбор» (три Теплоприбора, Теплоконтроль, Промприбор и другие предприятия) и обещаем приложить все усилия для оправдания Вашего доверия.
Также можем предложить Вашему вниманию по ценам изготовителя уже со склада в Москве продукцию наших партнеров: Метер, Теплоприбор, Промприбор, Саранский приборостроительный завод (г. Саранск), Завод Механических изделий, НПЦ Манометр (г. Томск), ЗАО Сектор, Манотомь, Теплоконтроль и других.
Вернуться в начало страницы.